Τεχνολογία (Α Γυμνασίου) - Βιβλίο μαθητή
ΠΑΡΑΡΤΗΜΑ Α' Επιστροφή στην αρχική σελίδα του μαθήματος

ΔΗΜΙΟΥΡΓΙΑ ΤΕΧΝΙΚΩΝ ΣΧΕΔΙΩΝ

ΤΕΧΝΟΛΟΓΙΑ Α' ΓΥΜΝΑΣΙΟΥ

Κατασκευή τεχνικών σχεδίων

Προετοιμασία σχεδίασης

Τα τεχνικά σχέδια πραγματοποιούνται σε ειδικό έπιπλο που λέγεται σχεδιαστήριο. Αν στο εργαστήριο του σχολείου δεν υπάρχουν σχεδιαστήρια, θα αξιοποιηθούν οι επίπεδες επιφάνειες των πάγκων εργασίας με την παρατήρηση οτι θα πρέπει να είναι απόλυτα λείες.

Η σχεδίαση γίνεται πάντα με μολύβι (απλό ξύλινο ή μηχανικό). Να σημειώσουμε εδώ ότι το πάχος των μολυβιών που πρέπει να χρησιμοποιηθεί είναι συνάρτηση του χαρτιού που θα χρησιμοποιηθεί, αλλά και της επιθυμητής ακρίβειας του σχεδίου. Είναι λοιπόν προτιμότερο ο μαθητής να χρησιμοποιεί μέσης σκληρότητας μολύβια.

Επίσης απαραίτητα είναι μια σειρά απο σχεδιαστικά όργανα, τα οποία πρέπει να έχει συνεχώς μαζί του ο μαθητής κατά το στάδιο σχεδίασης.

Ενδεικτικά αναφέρουμε τα εξής όργανα σχεδίασης:

Εικόνα Β-1: Όργανα Σχεδίασης

Εικόνα Β-1: Όργανα Σχεδίασης

Τα τρίγωνα. Χρησιμοποιούνται για να χαράξουμε ευθείες γραμμές, ή γραμμές παράλληλες ή κάθετες σε δεδομένη ευθεία γραμμη.

Το υποδεκάμετρο-χάρακας. Χρησιμοποιείται για να μετράμε μήκη, αλλά και σαν οδηγός για τη χάραξη ευθειών (συχνά σε συνδυασμό με ένα τρίγωνο).

Ο διαβήτης. Χρησιμοποιείται για τη χάραξη κύκλων και κυκλικών τόξων. Επίσης για τη μεταφορά διαστάσεων.

Το καμπυλόγραμμο. Χρησιμοποιούνται για να χαράζουμε καμπύλες γραμμές που δεν είναι κύκλοι ή τμήματα κύκλων.

Κατά τη σχεδίαση οι μαθητές θα πρέπει να έχουν κάποιες βασικές γνώσεις τεχνικού σχεδίου. Τέτοιες είναι:

  • Σχεδίαση προβολών
  • Σχεδίαση με διαστάσεις
  • Σχεδίαση υπό κλίμακα

Σχεδίαση προβολών

Κάθε τεχνικό σχέδιο θα πρέπει να περιέχει πληροφορίες που θα διευκολύνουν την κατασκευή του αντικειμένου που παρουσιάζεται σε αυτό. Το κυριότερο πρόβλημα βρίσκεται στο γεγονος οτι θα πρεπει να παρουσιαστεί σε δύο διαστάσεις, ενα τρισδιάστατο αντικείμενο. Για να ξεπεράσουμε το πρόβλημα αυτό:

  • πραγματοποιούμε σχεδίαση των τριών όψεων (προβολών) του αντικειμένου.
  • τοποθετούμε διαστάσεις στις προβολές.
ΠΑΡΑΡΤΗΜΑ B'
Εικόνα Β-2: Προβολές στερεού αντικειμένου

Εικόνα Β-2: Προβολές στερεού αντικειμένου

Για τη σχεδίαση προβολών υπάρχουν τρία συστήματα (η μέθοδοι). Στο βιβλίο αυτό θα ακολουθηθεί το Ευρωπαϊκό σύστημα, που είναι και αυτό που εφαρμόζεται στην Ελλάδα. Σύμφωνα με αυτό από το σύνολο των έξι όψεων ενός τρισδιάστατου αντικειμένου, χρησιμοποιούνται οι τρεις, όπως φαίνονται στην Εικόνα Β2

πρόσοψη πλάγια
όψη
κάτοψη  

Εικόνα Β-3: Τοποθέτηση των
τριών όψεων.

  • η κάτοψη, δηλαδή η εικόνα που βλέπουμε κοιτάζοντας το αντικείμενο από πάνω και προβάλλεται σε ένα οριζόντιο επίπεδο που βρίσκεται κάτω από το αντικείμενο.
  • η πρόσοψη, δηλαδή η εικόνα που βλέπουμε κοιτάζοντας το αντικείμενο από εμπρός και προβάλλεται σε ένα κατακόρυφο επίπεδο που βρίσκεται πίσω από το αντικείμενο.
  • η αριστερή πλάγια όψη, δηλαδή η εικόνα που βλέπουμε κοιτάζοντας το αντικείμενο από πλάγια αριστερά και προβάλλεται σε ένα κατακόρυφο επίπεδο που βρίσκεται στα πλάγια δεξιά (όπως κοιτάμε) του αντικειμένου.

Οι τρεις όψεις τοποθετούνται σε ορθή γωνία, όπως φαίνεται στην Εικόνα Β-3. Ιδιαίτερη προσοχή πρέπει να δοθεί στη σχεδίαση, ώστε οι όψεις να ταιριάζουν μεταξύ τους.

Κατά τη σχεδίαση των όψεων ενός αντικειμένου

  • Οι ορατές ακμές του αντικειμένου παριστάνονται απο πλήρεις γραμμές.
  • Οι μη ορατές παριστάνονται από διακεκομμένες γραμμές.
  • Αν συμπίπτει πλήρης γραμμή με διακεκομμένη επικρατεί η πλήρης.

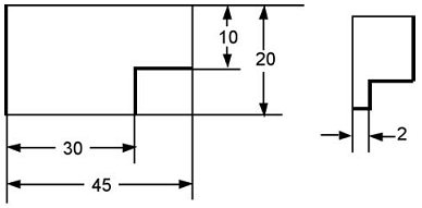
Στην Εικόνα Β-4 φαίνεται ένα στερεό αντικείμενο και οι τρεις όψεις του.

Ο μαθητής θα πρέπει να σχεδιάσει τις όψεις από τα τμήματα της κατασκευής του. Αυτό θα του επιτρέψει στη συνέχεια να τα κατασκευάσει με ευκολία και ακρίβεια.

ΤΕΧΝΟΛΟΓΙΑ Α' ΓΥΜΝΑΣΙΟΥ
Εικόνα Β-4: Δημιουργία των τριών όψεων ενός τρισδιάστατου αντικειμένου.

Εικόνα Β-4: Δημιουργία των τριών όψεων ενός τρισδιάστατου αντικειμένου.

Σχεδίαση με διαστάσεις

Ο βασικότερος ρόλος του τεχνικού σχεδίου ενός αντικειμένου είναι η διευκόλυνση στην κατασκευή του αντικειμένου. Για το λογο αυτο είναι σημαντικό να γνωρίζει ο κατασκευαστής τις διαστάσεις των τμημάτων που περιγράφονται στο σχέδιο.

Εικόνα Β-5: Στοιχεία διαστάσεων.

Εικόνα Β-5: Στοιχεία διαστάσεων.

Η κάθε διάσταση αποτελείται από:

  • Τη γραμμή διάστασης (γραμμή παράλληλη στο αντικείμενο).
  • Τις βοηθητικές γραμμές διάστασης (γραμμές συνήθως κάθετες στο σχέδιο).
  • Τα σύμβολα αρχής και τέλους (συνήθως αιχμές βέλους, που τοποθετούνται στα σημεία συνάντησης των γραμμών διάστασης με τις βοηθητικές γραμμές).
  • Την αριθμητική τιμή (στα σχέδια είναι εκφρασμένη σε cm ή mm).
  • Για την τοποθέτηση των διαστάσεων στις όψεις ενός τεχνητού σχεδίου, ακολουθούνται τα εξής βήματα:
Σχήμα Β-6: Τοποθέτηση διαστάσεων.

Σχήμα Β-6: Τοποθέτηση διαστάσεων.

  1. φέρουμε λεπτές βοηθητικές γραμμές (σχήμα Β-6α).
  2. τοποθετούμε τα βέλη των μικρότερων διαστάσεων μέσα και των μεγαλύτερων έξω.
  3. τα βέλη των διαστάσεων απέχουν μεταξύ τους και απο το σχήμα περίπου 10mm.
  4. οι διαστάσεις τοποθετούνται όσο το δυνατόν σε λιγότερες όψεις.
  5. οι διαστάσεις τοποθετούνται μία μόνο φορά.
  6. δίνονται πάντα οι συνολικές διαστάσεις.
ΠΑΡΑΡΤΗΜΑ B'
  1. οι αριθμοί τοποθετούνται όπως φαίνεται στο σχήμα.
  2. αν μία διάσταση είναι πολύ μικρή, βέλη και αριθμός τοποθετούνται όπως στο σχήμα Β-6β.
  3. οι διαστάσεις εκφράζονται σε mm η cm.

Σχεδίαση υπό κλίμακα

Όταν κατασκευάζουμε ένα μοντέλο ενός αντικειμένου, θέλουμε η μορφή του να μοιάζει με του πραγματικού. Για να το πετύχουμε αυτό θα πρέπει οι διαστάσεις του να έχουν μικρύνει ομοιόμορφα. Τότε λέμε ότι η σχεδίαση έχει γίνει υπό κλίμακα. Η κλίμακα εκφράζει τη σχέση ενος πραγματικού μήκους, προς το μήκος του ίδιου αντικειμένου στο σχέδιο.

Η κλίμακα ορίζεται από τη στρογγυλοποίηση της σχέσης:

Κλίμακα = 1: {(πραγματικό μήκος) / (μήκος σχεδίου)}

Τα αποτέλεσμα έχει βέβαια τη μορφή 1:α. Π.χ. κλίμακα 1:20 σημαίνει ότι ένα μήκος ενός εκατοστού στο σχέδιο αντιστοιχεί σε πραγματικό μήκος 20 εκατοστών. Δηλαδή το σχέδιο είναι 20 φορές μικρότερο από το αντικείμενο. Κλίμακα αυτού του είδους ονομάζεται αριθμητική. Οι κλίμακες μας βοηθούν να υπολογίσουμε

  • από τις πραγματικές διαστάσεις του αντικειμένου τις διαστάσεις του σχεδίου
  • από τις διαστάσεις του σχεδίου τις πραγματικές διαστάσεις του αντικειμένου.

Οι συνηθέστερες κλίμακες είναι:

  • Μικρές κλίμακες, για αναπάρασταση μεγάλων φυσικών εκτάσεων (όπως γήπεδα, βουνά, κ.λ.π.), όπως είναι 1:10000, 1:5000,1:1000, 1:500, 1:200.
  • Μεσαίες κλίμακες, για σχεδίαση κτηρίων, βιομηχανικών αντικειμένων (όπως αυτοκίνητα, τραίνα, αεροπλάνα, κ.λ.π.), όπως είναι 1:200, 1:100, 1:50, 1:20.
  • Μεγάλες κλίμακες, για σχεδιασμό εξαρτημάτων ή για περιπτώσεις που χρειάζεται αναπαράσταση λεπτομερειών, όπως είναι 1:20, 1:10, 1:5, 1:2, 1:1.

Το ζητούμενο στη σχεδίαση που θα πραγματοποιήσει ο μαθητής είναι να επιλέξει τη σωστή κλίμακα και με βάση αυτή να πραγματοποιήσει τα σχέδια. Στη περίπτωση αυτή ακολουθούμε την εξής διαδικασία:

  • Επιλογή κλίμακας
  • δημιουργούμε ένα σκαρίφημα του αντικειμένου.
  • μετράμε τις διαστάσεις του αντικειμένου.
  • εκτιμούμε το μέγεθος της μεγαλύτερης διάστασης του μοντέλου που θα κατασκευάσουμε.
  • υπολογίζουμε το λόγο Λ = Π/Σ όπου

Π: το μήκος της μεγαλύτερης διάστασης του αντικειμένου

Σ: μήκος της αντίστοιχης διάστασης του σχεδίου.

  • Επιλέγουμε τηη κλίμακα που είναι πλησιέστερα στη σχέση 1:Λ.
  • Πραγματοποίηση σχεδίων (υπολογισμός των διαστάσεων του αντικειμένου στο σχέδιο)
  • Έστω 1:Κ η κλίμακα που έχει επιλεγεί. Μεταφέρουμε τις διαστάσεις του πραγματικού αντικειμένου στο σχέδιο, χρησιμοποιώντας τη σχέση:

Κ = Π/Σ Σ = Π/Κ όπου

ΤΕΧΝΟΛΟΓΙΑ Α' ΓΥΜΝΑΣΙΟΥ

Κ: η κλίμακα

Π: μία διάσταση του πραγματικού αντικειμένου

Σ: η διάσταση αυτή στο σχέδιο

  • Δημιουργούμε με προσοχή τα σχέδια της κατασκευής. Οι διαστάσεις θα πρέπει να έχουν το σωστό μήκος, οπως αυτο προκύπτει απο το προηγούμενο βήμα

Από το σχέδιο μπορούμε να υπολογίσουμε τις πραγματικές διαστάσεις του αντικειμένου. Για να το πετύχουμε εργαζόμαστε ως εξής

Έστω 1: Κ η κλίμακα που έχει επιλεγεί. Μετράμε μια διάσταση στο σχέδιο, έστω Σ. Τότε το μήκος της αντίστοιχης διάστασης του πραγματικού αντικειμένου (έστω Π) υπολογίζεται από τη σχέση

Κ = Π/Σ Π = Κ•Σ όπου

Κ: η κλίμακα

Π: μία διάσταση του πραγματικού αντικειμένου

Σ: η διάσταση αυτή στο σχέδιο

Έστω για παράδειγμα ένας μαθητής θέλει να κατασκευάσει το μοντέλο ενός αεροπλάνου μήκους 20m (Π=20mΠ=2000cm). Θέλει δε το μοντέλο του να έχει μήκος περίπου 40cm (Σ=40cm). Για να επιλέξει την κατάλληλη κλίμακα υπολογίζει αρχικά το λόγο (πραγματικό μήκος):(μήκος μοντέλου) = 2000:40 = 50 (δηλαδή Κ=50). Αρα θα χρησιμοποιήσει κλίμακα 1:50.

Αν τώρα το κάθε φτερό του αεροπλάνου έχει μήκος 8m (Π=8m), στο σχέδιο θα έχει μήκος Σ = Π/Κ = 8:50 = 0.16m, δηλαδή 16cm. Αντίστοιχα υπολογίζονται και οι διαστάσεις (στο σχέδιο) και των υπόλοιπων τμημάτων.

ΠΑΡΑΡΤΗΜΑ B'

ΒΙΒΛΙΟΓΡΑΦΙΑ

  1. Βέντζας Δ., Γλώσσας Ν., Δουλγέρης Γ., Ειδικά Θέματα Μηχανικής και Ηλεκτρισμού, εκδ. ΙΔΕΚΕ, 2000.
  2. Γλώσσας Ν., Σημειώσεις του μαθήματος Τεχνολογία και Παραγωγή ΕΠΛ.
  3. Ηλιάδης Ν., Το Μάθημα της Τεχνολογίας στη Γενική Εκπαίδευση, εκδ. Ίων, 1983.
  4. Ηλιάδης Ν., Μαθαίνοντας στο Internet Τεχνολογία, εκδ. Καστανιώτη, 2002.
  5. Ηλιάδης N., Βουτσίνος Γ., Τεχνολογία για τους μαθητές Α' γυμνασίου, εκδ. ΟΕΔΒ, 2000.
  6. Σολομωνίδου Χ., Εκπαιδευτική Τεχνολογία, εκδ. Καστανιώτη, 1999
  7. Τσιαντής Κ., Χαραλαμπάκης Ν., Αθανασάκης Αρ., Δημόπουλος Φ., Δασκαλάκης Α., Τεχνολογία και Παραγωγή Α' τάξης ΕΠΛ, Α' και Β' τόμος, εκδ. ΟΕΔΒ, 1984.
  8. Παπαμητούκας Β., Μηχανολογικό Σχέδιο, εκδ. University Studio Press, 1983.
  9. Frey Κ., Η μέθοδος Project, εκδ. Κυριακίδη, 1986.
  10. Hopf D., Διαφοροποίηση της σχολικής εργασίας, εκδ. Κυριακίδης, 1982
  11. Maley D. , The Maryland Plan, New York: Bruce Inc., 1973.
  12. Neil Α., Ανακαλύπτω την Τεχνολογία, εκδ. Ερευνητές, 1996.
  13. Sanders Μ., Τεχνολογία Επικοινωνιών, Ίδρυμα Ευγενίδου, 1998.
  14. Smith. H., Ενέργεια: Πηγές - Εφαρμογές - Εναλλακτικές Λύσεις, Ίδρυμα Ευγενίδου, 1996.
Με απόφαση της Ελληνικής Κυβέρνησης τα διδακτικά βιβλία του Δημοτικού, του Γυμνασίου και του Λυκείου τυπώνονται από τον Οργανισμό Εκδόσεως Διδακτικών Βιβλίων και διανέμονται δωρε¬άν στα Δημόσια Σχολεία. Τα βιβλία μπορεί να διατίθενται προς πώληση, όταν φέρουν βιβλιόσημο προς απόδειξη της γνησιότητάς τους. Κάθε αντίτυπο που διατίθεται προς πώληση και δε φέρει βιβλιόσημο θεωρείται κλεψίτυπο και ο παραβάτης διώκεται σύμ¬φωνα με τις διατάξεις του άρθρου 7 του Νόμου 1129 της 15/21 Μαρτίου 1946 (ΦΕΚ 1946, 108, ΑΔ).
ΒΙΒΛΙΟΣΗΜΟ
Απαγορεύεται η αναπαραγωγή οποιουδήποτε τμήματος αυτού του βιβλίου, που καλύπτεται από δικαιώματα (copyright), ή η χρήση του σε οποιαδήποτε μορφή, χωρίς τη γραπτή άδεια του Παιδαγωγικού Ινστιτούτου.